Description

- General The specifications are applicable to Lidinglong motor models 2854-330KV Coreless Brushless Motor
- Operating condition
| Item | Specification | Condition remark | |
| 2-1 | Use voltage range | 12~36V DC | |
| 2-2 | Use temperature range | -20 ~ +80°C | No icing, no condensation, no moisture condensation, no chemical corrosion |
| 2-3 | Use humidity rang | 40% ~ 85%RH | No moisture condensation, no chemical corrosion |
- Measuring condition
| Item | Specification | Condition remark | |
| 3-1 | Temperature | +5 ~ +35°C | Tested at normal temperature and humidity, if there is any doubt about the results, the test data at 20 ± 3 °C shall prevail |
| 3-2 | Humidity | (65±20%)RH | |
| 3-3 | Test voltage | 24V | DC |
| 3-4 | Test drive board | Skyrc motor tester | Skyrc motor tester |
| 3-5 | Position | Axial vertically downward | |
*All test data are measured by our test environment and test instruments. When the test environment and test instruments change, the test results will have certain deviations. When there is any disagreement, the test environment and test instruments of our company shall prevail.
4.Mechanical specification
| Item | Specification | Condition remark | |
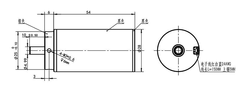
| 4-1 | Dimensions | Refer to the dimension drawing | Please refer to the outline drawing of the motor for details. |
| 4-2 | Weight | 160g | Only for products confirmed in this specification |
| 4-3 | Appearance and color | Front silver middle sell back cover black | Visual inspection |
| 4-4 | Hall line definition | None | Please refer to the outline drawing of the motor for details. |
| 4-5 | Motor wire length | 24#red white blue 150mm | Please refer to the outline drawing of the motor for details. |
| 4-6 | Motor shaft diameter length | Diameter 5.0mm length 10mm | Please refer to the outline drawing of the motor for details. |
| 4-7 | Motor mounting hole | 4-M3 pitch 29mm | |
5.Performance and characteristic
| Item | Specification | Condition remark | |
| 5-1 | Stator and rotor structure | no slot 2 poles (thickness magnetization) | |
| 5-2 | Rated voltage | 24V | DC |
| 5-3 | KV value | 330KV±5% | Test under DC24V voltage, use a motor tester to test |
| 5-4 | No-load speed | 7900±5%rpm | Test under DC24V voltage, use a motor tester to test |
| 5-5 | No-load current | 0.25A Max | Test under DC24V voltage, use a motor tester to test |
| 5-6 | Torque coefficient Kt | 24.7mNm/A | Data for reference |
| 5-7 | Back EMF Coefficient KE | 3.03 V/KRPM | Data for reference |
| 5-8 | Rated torque | 26.0mN.M | Data for reference |
| 5-9 | Rated speed | 7000rpm | Data for reference |
| 5-10 | Rated input current | 1.05A | Data for reference |
| 5-11 | Rated output power | 25W | Data for reference |
| 5-12 | Stall torque | 200mN.M Max | Data for reference |
| 5-13 | Stall current | 7A | Data for reference |
| 5-14 | Maximum input power(24V) | 41W | Data for reference |
| 5-15 | Speed torque slope | 39rpm/mN.M | Data for reference |
| 5-16 | Inductance | 380-480 mH | LP-Q 1.0kHz |
| 5-17 | Terminal resistance | 3±0.15 Ω | |
| 5-18 | Three-phase resistance difference | ≤0.15Ω | Three-phase internal resistance difference |






Reviews
There are no reviews yet.