Description
The XTO3 Brushless motor for Cobots and Robot, with its outstanding performance, compact structural design, and wide range of application fields, has become an ideal choice for industries such as industrial automation, robotics, power tools, and medical equipment. The XTO3 Brushless motor for Cobots and Robot not only integrates the latest motor control technologies but also enhances efficiency and reliability through optimized design, meeting the modern industry’s demand for high-precision and high-efficiency motors.

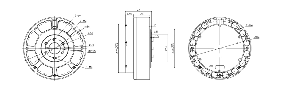
Performance Parameters
Product Model: XT03
Weight: 610 grams
Stator Dimensions (Diameter x Length): Φ96x40mm
Maximum Torque: 17N.m
Continuous Torque: 6.9N.m
Maximum Output Speed: 40rad/s@24V
Maximum Output Power: 250W
Current Control Bandwidth: 4500Hz@4.5N.m, 1500Hz@17N.m
Output Inertia: 0.0023kg.m²
Signal Feedback: Equipped with a 15-bit absolute encoder for one revolution, with a maximum of 32768 pulses per revolution, providing high-precision position feedback.
Cooling Method: Natural cooling
Structural Features
Compact Design: The optimized stator dimensions and lightweight materials enable the XT03 to work efficiently in environments with limited space.
High-precision Encoder: The integrated 15-bit absolute encoder ensures precise position control and feedback, making it suitable for high-precision positioning systems.
Efficient Heat Dissipation: The natural cooling design effectively manages heat, maintaining stable performance even under long-term high-load operation.
Low-noise Operation: Advanced electromagnetic design and precise manufacturing reduce the operating noise, making it suitable for noise-sensitive application environments.

Application Fields
Industrial Automation: Used in automated assembly lines, material handling systems, etc.
Robotics: As a joint drive motor, it improves the flexibility and precision of robots.
Power Tools: Provides strong power, enhancing the usage efficiency of tools and the user experience.
Medical Equipment: Meets the high requirements for precision, reliability, and safety in medical equipment.
Precautions
Electrical Safety: Before operation, ensure that the power supply voltage matches the motor specifications to avoid damage caused by overvoltage or overcurrent.
Installation and Maintenance: Installation and maintenance should be carried out by professionals to ensure that all connections are firm and reliable, and to avoid malfunctions caused by looseness.
Environmental Adaptability: Avoid using the motor in extreme temperature, humidity, or corrosive environments to prevent affecting the motor’s performance and lifespan.
Load Control: Select an appropriate load range according to the actual application to avoid long-term overload operation and extend the motor’s service life.
Regular Inspection: Regularly check the operating status of the motor, including encoder feedback, temperature, etc., and promptly identify and solve problems.
If you are interested in the XTO3 Brushless motor for Cobots and Robot or need more product information, please feel free to contact us. We are committed to providing you with high-quality products and services to meet your needs. Whether in automation, robotics, or other high-performance application scenarios, X-TEAM motors can provide you with reliable power support. If you have any questions or need to place an order, please contact us in the following ways:
Tel: +86-769-85228181
Email: chris@x-teamrc.com






Reviews
There are no reviews yet.